型号/料号 | 工作频率(GHz) | 插入损耗(dB)(含分配比) | 隔离度(dB) | 驻波比(VSWR) | 幅度平衡度(dB)
| 相位平衡度(°) | 接口类型
| 功率容量 (W) | 外形尺寸(mm) | 重量(Typ.)(g) |
PS-GPS-8B 60.06.020.0020 | 1.57~1.58 | ≤10 | ≥20 | ≤1.4 | ≤0.3 | ≤5 | SMA(with DC-block 50VDC max) | 2 | 117.0×61.5×14.5 | 226 |
PS-8SM-2060 60.06.020.0028 | 2~6 | ≤10.5 | ≥20 | ≤1.4 | ≤0.3 | ≤5 | SMA | 20 | 117.0×61.5×14.5 | 226 |
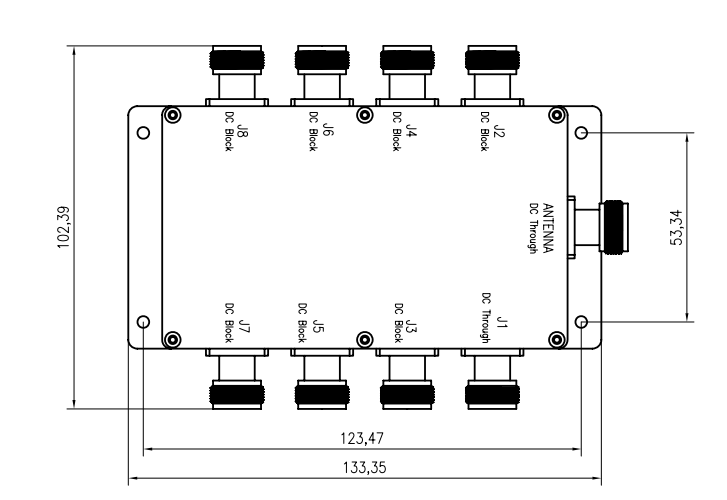
PS-8NM-1116G14-A 60.06.021.0020 | 1.1~1.65 | - | ≥20 | 输入≤2 输出≤1.5 | - | - | N-F,RF2-RF8带DC block and 200Ωload | - | 135.5×102.5×32 | 650 |
PS-8SM-0727 60.06.020.0034 | 0.7~2.7 | ≤10.5 | ≥20 | ≤1.35 | ≤0.5 | ≤5 | SMA-F | 50 | 200.0×72.0×20.5 | 683 |
PS-8NM-2060 60.06.020.0098 | 2~6 | ≤10.5 | ≥20 | ≤1.45 | ≤0.3 | ≤5 | N-F | 20 | 197.0×76.0×17.0 | 655 |
PS-8SM-0560 60.06.020.0099 | 0.5~6 | ≤10.5 | ≥13 @0.5~0.6GHz; ≥20 @0.6~6.0GHz | ≤1.5 | ≤0.25 @0.7~1.0GHz; ≤0.35 @2.4~2.5GHz; ≤0.5 @4.8~5.8GHz | ≤5 | SMA | 5 | 112.0×73.5×13.5 | 306 |
PS-TX-8TD 60.06.020.0009 | 0.8~2.5 | ≤10 | ≥20 | ≤1.35 | ≤0.5 | ≤5 | N-F | 50 | 221.2×110.0×21.5 | 645 |
PS-8SM-DC08 60.06.020.0046 | 5~800MHz | ≤12 | ≥20 | ≤1.4 | ≤0.3 | ≤5 | SMA | 2 | 107.0×50.0×14.5 | - |
PS-GPS-8B1 60.06.020.0106 | 1.57~1.58 | ≤10 | ≥20 | ≤1.4 | ≤0.3 | ≤5 | SMA(COM、RF1 DC through;RF2~RF8with DC-block 50VDC max) | 2 | 117.0×61.5×24.5 | - |
PS-8SM-2080 60.06.020.0128 | 2-8 | ≤10.5 | ≥20 | 输≤1.35 输≤1.30 | ≤0.5 | ≤5 | SMA | 30 | 63*108*10 | 350 |
PS-8SM-2073 60.06.020.0028A | 2-7.3 | ≤10.5 | ≥20 | ≤1.4 | ≤0.3 | ≤5 | SMA | 20 | 110*82*10 | 200 |

PS-8SM-0727 PS-8SM-0560 PS-8SM-2080

结构外观图




PS-8SM-0727

PS-8SM-0560
