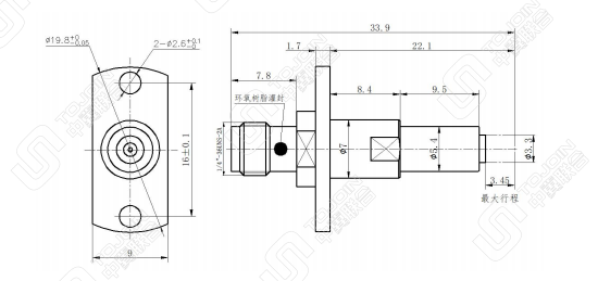
型号/料号
| 频率范围(GHz) | 电压驻波比 | 额定电压值(Vrms) | 绝缘电阻 | 特性阻抗(Ω) | 插入损耗(dB) | 工作温度(℃) | 机械寿命 | 中心接触件固定性 |
MM126310 00.00.001.0440 | DC~6 | DC~6GHz ≤1.6 | 250 | ≥1000 MQ | 50 | ≤0. 8dB | -40~85 | 5万 次min | 26.7N min |

京东https://ic-item.jd.com/10114373736431.html

天猫https://detail.tmall.com/item.htm?abbucket=18&id=716483884973
